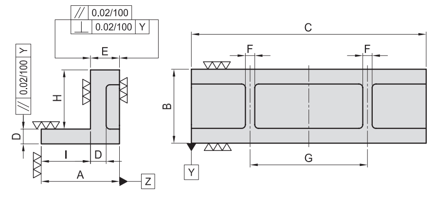
CT-804619
Order number | A | B | C | D | E | F | G | H | I | KG |
CT-804619 | 100 | 100 | 150 | 20 | 37 | 12 | - | 80 | 63 | 4.4 |

Material | Heat Treatment | |
FC30 | Burnt |
